HMC587LC4B
ADI
18+
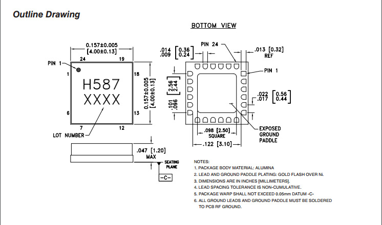
QFN24
5000多家會員為您找貨報價,SO EASY!
HMC587LC4B是一款寬帶GaAs InGaP電壓控制振蕩器,集成了諧振器、負電阻器件、變容二極管。 由于振蕩
器的單芯片結構,其輸出功率和相位噪聲性能在不同的溫度下始終非常出色。 Vtune端口接受0至+18V的模擬
調諧電壓。 HMC587LC4B VCO采用+5V單電源供電,功耗僅55 mA,提供符合RoHS標準的SMT封裝。 這款
寬帶VCO集超小尺寸、低相位噪聲、低功耗和寬調諧范圍等特性于一體,構成獨特的特性組合。
應用





專業供應商:深圳市恒勝泰科技有限公司
恒勝泰科技庫房現貨:
| BL1117-2.5V |
| BL1117-ADJ |
| BL1117-5.0V |
| BL1117-1.8V |
| BL1117-1.2V |
| AMS1117-3.3V |
| AMS1117-1.8V |
| AMS1117-2.5V |
| AMS1117-5.0V |
| AMS1117CD-3.3V |
| AMS1117CD-2.5V |
| AMS1117CD-5.0V |
| AMS1117CD-1.8V |
| AMS1117CD-1.2V |
| LM1117-3.3V |
| LM1117-2.5V |
| LM1117-ADJ |
| LM1117-5.0V |
| LM1117-1.8V |
| LM1117-1.2V |
| 1117-CX |
| 1117-33 |
| 1117-2.5 |
| 1117-CY |
| AMS1117-3.3/1.8/5.0/2.5/ADJ |
| AMS1117CD-3.3V/2.5V/5.0/1.8/1.2/ADJ |
| BL1117-3.3/1.8/5.0/2.5/ADJ |
| BL1117CD-3.3V/2.5V/5.0/1.8/1.2/ADJ |
| LM1117-3.3/1.8/5.0/2.5/ADJ |
| LM1117CD-3.3V/2.5V/5.0/1.8/1.2/ADJ |
| NJM79M05FA |
| C5931 |
| TMPA401DM |
| CS4272-CZZ |
| DS90UR124IVS |
| 1SS193(TE85L) |
| 2SA1943-O/2SC5200 |
| BL1117-25CX |
| MM1117 ST33 |
| MM1117ST25 |
| MM117STA |
| AS1117-2.5/TR-LP |
| APW7065 |
| NX2415CM |
| MUSE-B2B2-NL |
| D65881GK-101 |
| 2AX00068S17330 |
| HT7130-1-1 |
| SGP20N60 |
| L9040A-B01 |
| RT9232BPS |
| SC6122-002 |
| AM7072A |
| K8T800 |
| ME2N7002E |
| AZ1117D-5.0TR-E1 |
| AZ1117D-3.3TR |
| AZ1117D-5.0 |
| SD101B-TAP |
| 2SK2638-01MRSC |
| AN431BN-ATRE1 |
| AZ1086D-ADJTRE1 |
| W9425G6JH-4 |
| BL8503-3.3V |
| BL8503 |
| BL8530 |
| BL8530-3.8/2.6/4.0/6.0V |
| BL8530-6.0V |
| BL8530-4.0V |
| BL8530-2.6V |
| BL8530-3.8V |
| Y60NK30Z |
| AZ1085D-ADJTR |
| BL8507-33CX |
| BL8507-CX |
| BL8507-18CX |
| BL8507-33(E) |
| BL8503-1.8V |
| BL8551--12V |
| BL8551--5.0 |
| BL8503--1.5V |
| BL8503-18PSB |
| BL8560--1.8/2.8 |
| BL8572(BLCH01) |
| BL1117C-ADJ |
| BL8505-3.6V |
| BL8505-4.0V |
| ME1117STA-18 |
| BL8550-18CC |
| AS2815M6D-02/TR |
| BL8551--120PSM |
| BL8551--125CX |
| AS1117L-3.3/TR-LF |
| AS1117L/TR-LF |
| BL8503-30PSB |
| BL1117C-33DX |
| BL1117-CX |
| AS1117R-33/TR-LF |
| BL8505-361SM |
| BL1117-33CX 如需詳細請聯系: 聯系人:林先生/林小姐 QQ: 657030450/977945704 手機:15711991717/15889559699 電話:0755-82521107 傳真:0755-23486934 郵箱:linfusheng1028@126.com 公司主頁:http://www.hst-dz.com/ 阿里巴巴:https://hstkj98.1688.com/ |
電話:0755-82521107
聯系人:林先生/林小姐 (先生)
QQ:
郵箱:linfusheng1028@126.com
地址:深圳市福田區深南中路國利大廈B座29樓2938
100%產品查看率
會員等級
會員年限